KSB Ama Porter 500 SE - Pompe de relevage à eau chargée avec flotteur 0.55kW 20m³/h 230V
CM17296056931| Disponibilité : | En stock chez notre boutique partenaire |
| Livraison : | 24/48 heures après expédition |
| Référence : | REL-K39017187 |
Pompe de relevage submersible en fonte très robuste, pratiquement imbouchable, immersible en continu (IP68).
-
Applications : Systèmes d’assainissement, drainage d’eau, vidange automatique.
-
Température des fluides : 0 à 40°C, ponctuellement à 70°C
-
Liquide : Eaux usées et eaux vannes (wc), eaux chargées contenant des matières solides et des fibres longues, liquides contenant du gaz.
-
Passage libre : 45mm.
-
Construction : Roue vortex et corps de pompe en fonte JL 1030. Arbre et visserie en inox.
-
Moteur monophasée 2900tr/min avec protection thermique incorporée.
-
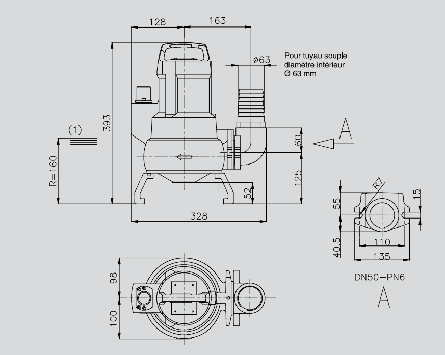
Débit maximum : 20 m³/h
-
Hauteur de refoulement maximale : 9,7 m
-
Passage libre : 45 mm
Longue durée de vie grâce à l’arbre réalisé en acier inoxydable résistant à la corrosion Maintenance aisée grâce à la visserie en acier inoxydable permettant un démontage facile même après de longues années
Description
La KSB AMA-Porter 500 SE est une pompe de relevage qui allie robustesse et performance, parfaitement adaptée à l'évacuation des eaux chargées et des eaux usées avec des solides de taille allant jusqu'à 45mm. Sa roue vortex offre une haute performance de pompage, idéale pour évacuer des eaux grises ou noires dans des environnements domestiques ou commerciaux. Caractéristiques techniques :
Courbe de performances
|
Caractéristiques techniques
| Marque / Fabricant | KSB |
|---|---|
| Alimentation (V/Hz) | 230 V |
| Hauteur manométrique totale max. (m) | 9 |
| Puissance consommée (W) | |
| Puissance nominale (W) | 0,55 |
| Granulométrie (mm) | 45 |
| Longueur câble (m) | 10 |
| Flotteur | Oui |
| Nature de l'eau à pomper |
Eaux usées Eaux chargées |
| Usage |
Équiper ma station de relevage Évacuer des eaux ménagères Vider un fossé ou un bassin Assècher une fouille de chantier Vidanger l'eau de citerne, puisard |
|---|---|
| Type de pompe | Pompe de relevage |
| Profondeur d'immersion (m) | 4,5 |
| Sortie | DN 50 |
| Classe de protection | IP68 |
| Marche/arrêt automatique | |
| Débit max (m³/h) | 20 |
| Matériau arbre pompe | Acier au chrome 1.4021 |
| Matériau corps | Fonte grise EN-GJL-200 |
| Matériau turbine | Fonte grise EN-GJL-200 |
Avis clients
Téléchargement de fichiers
Besoin d'informations complémentaires sur
KSB Ama Porter 500 SE - Pompe de relevage à eau chargée avec flotteur 0.55kW 20m³/h 230V ?
Téléchargez
les documents ci-dessous.
Notre équipe commerciale reste à votre disposition pour tout complément d'information.
Derniers articles consultés
Questions/Réponses
50 ans d'expérience
Un savoir-faire dans le traitement des eaux depuis 1972.
Livraison rapide
Livraison en 24-48h après expédition.
Paiement sécurisé
Système de paiement 100% sécurisé par le Crédit Agricole.
Satisfaction client
97% de nos clients se disent comblés par leurs achats.

